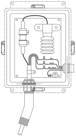
Breakout Junction Box Models


BJBGE-100B

Gas Effect Breakout Junction Box, rated leak tight at 100" of water column (positive or negative). Includes SureSeal connectors, 3/4" & 1" Myers hub, transducer cable clamp, desiccant dryer, bellows, enclosure is powder coated steel.

Inquire About The BJBGE-100B


Video


Outer Label


BJBP500

EPG Breakout Box, NEMA 4X non-metallic enclosure for 1 ea. motor lead, with SureSeal connectors.

Inquire About The BJBP500


BJBL600B

EPG Breakout Box, NEMA 4X non-metallic enclosure, junction box for 1 ea. level sensor. Includes desiccant dryer, bellows, and SureSeal connectors.

Inquire About The BJBL600B


BJBL625B

EPG Breakout Box, NEMA 4X non-metallic enclosure for (2) level sensors. Includes desiccant dryers, bellows, and SureSeal connectors.

Inquire About The BJBL625B


BJBO800B

EPG Breakout Box, NEMA 4X non-metallic enclosure for 1 ea. level sensor and 1 ea. flow sensor or mag meter. Includes desiccant dryer, bellows, and SureSeal connectors.

Inquire About The BJBO800B


BJBF700

EPG Breakout Box, NEMA 4X non-metallic enclosure for 1 ea. flow sensor, with SureSeal connectors.

Inquire About The BJBF700


BJBP525

EPG Breakout Box, NEMA 4X non-metallic enclosure for (2) motor leads, with SureSeal connectors.

Inquire About The BJBP525


BJBF400

EPG Breakout Box, NEMA 4X non-metallic enclosure for float, with SureSeal connectors.

Inquire About The BJBF400


More Models Available:

 

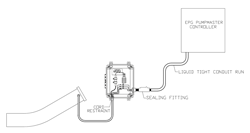
Installation Example

 

Informational Video:

For more information, please call EPG Companies Inc. at 1-800-443-7426

Contact Us

EPG Companies Inc.
19900 County Rd. 81
Maple Grove MN, 55311
P: 763-424-2613
TF: 800-443-7426
F: 763-493-4812

Social

About Us

Since 1985, EPG Companies Inc. has designed and manufactured pollution control systems and equipment being used worldwide in various landfill, remediation, water and wastewater and industrial applications. With over 12,000 installations, EPG has become the choice among thousands of environmental professionals.

In addition to manufacturing superior, trouble-free equipment, EPG Companies conducts annual pumps and controls service school designed to help develop knowledge, expertise and troubleshooting ability. Our classes are applicable to all who are involved with the design, installation, and maintenance of Liquid or Gas Handling Systems, Remediation Systems and/or SCADA and Data Acquisition Systems.


Copyright © EPG Companies Inc. All rights reserved.